products Center
産品中心
Contact Us
聯系我們

成都威斯特消防機械有限公司
聯系人:張女士 
電話:028-87988298  
            028-87980631 
手機:13547872234
郵箱:wstxf119@126.com 
地址:成都市郫都區現代工業港(北區)港華路119号
你現在的位置:網站首頁 > 産品中心 > PSKD電控消防水炮 > PSKD電控消防水炮
PSKD20W固定式電控消防水炮
更新時間:2024-04-01 08:18:08
* 射程遠、射流集中、遙控距離遠* 操作靈活方便、炮身可做水平回轉和仰俯回轉* 水炮具有開花、直流功能* 适用于消防車、消防艇、固定消...
       威斯特固定式消防炮代表了成都威斯特消防機械有限公司新一代的消防炮創新設計技術水平。獨有的流道設計不僅結構緊湊,而且性能優越。該消防炮射程遠、射流集中、保護面積大、遙控距離遠;功能齊全結構簡單、新穎;性能穩定、操作靈活、電動手動控制、維修方便;入口壓力低、重量輕;該消防炮适用于消防車和石油、化工、碼頭等企業場所。    
\\
*  具有開花/直流兩種噴射功能;
*  配置自動洩水閥;
*  實現穩定定位鎖緊;
*  遙控器跳屏處理互不幹擾、遙控距離≥150米;
*  工作電流≤10A、電機過載電流3A;
*  寬電壓設計(DC20V~31V均可工作);
*  可編程轉角度、可編程水平掃射角度;
*  雙模塊驅動控制(同時控制俯仰、水平轉動);
*  材質:精密鑄造鋁合金;


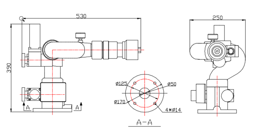
主要性能參數表:

型号 流 量
(L/s)
射 程
(m)
額定工作壓力(Mpa) 俯仰旋轉
(°)
水平旋轉
(°)
長×寬×高
(mm)
重量
(Kg)
PSKD8/20W 20 ≥50 0.8 -35~+70 0~340 530*250*390 16